| Sign In | Join Free | My hardware-wholesale.com |
|
Brand Name : GEZHI or OEM
Model Number : GZ-1x4 Optical Switch
Certification : CE/FCC/RoHS/TUV/UL
Place of Origin : China
MOQ : 1
Price : Get Latest Price
Supply Ability : 60000pcs per month
Delivery Time : 2~7working days
Packaging Details : 2pcs in a foam with paper Box
Product Name : Latching Optical Switch
Wavelength : 1260~1650nm or 850nm
Channel : 1x4
Fiber Type : Single Mode or Multimode
Connector : LC/SC/FC/ST (PC or APC)
Application : Protection/Restoration
GEZHI Photonics 1x4 Mechanical Optical Switch connects optical channels by redirecting an incoming optical signal into a selected output fiber.
GEZHI 1x4 Mechanical Optical Switch support all wavelength at 1260nm~1650nm or Multimode 850nm, it offers ultra-high reliability, low insertion loss, fast switching speed as well as bi-directional performance. The optical switches are widely used for Optical Network, Protection, Transmitter and Receiver Protection,Network Test System and Instrumentations.
GEZHI 1×4 Optical switch is a kind of functional component, with the ability of switching optical route. In optical fiber transmission system, it is used for multi-channel fiber monitoring, multi light source/ detector selection, and optical fiber path protection etc. Besides, it is also used in optical fiber test system for optical fiber and its component test, outdoor cable test and multi-spot optical sensors monitoring system.
Features
Specification
| Parameters | Unit | GZ-FSW-1×4 | |
| Wavelength Range | nm | 850±40 / 1300±40 | 1260 ~ 1650 |
| Test Wavelength | nm | 850 / 1300 | 1310 / 1550 |
| Insertion Loss | dB | Typ: 1.3 Max: 1.5 | |
| Return Loss | dB | MM ≥ 30 SM ≥ 50 | |
| Crosstalk | dB | MM ≥ 35 SM ≥ 55 | |
| PDL | dB | ≤ 0.15 | |
| WDL | dB | ≤ 0.35 | |
| Repeatability | dB | ≤ ±0.05 | |
| Power Supply | V | 5.0 ± 5% | |
| Durability | Cycles | ≥ 10 Million | |
| Switching Time | ms | ≤8 | |
| Optical Power | mW | ≤500 | |
| Operating Temperature | ℃ | -20 ~ +70 | |
| Storage Temperature | ℃ | -40 ~ +85 | |
| Relative Humidity | % | 5 ~ 95 | |
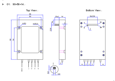
| Dimension | mm | (L)90×(W)58×(H)14 ±0.2 | (L)95×(W)76×(H)14 ±0.2 |
1x4 Optical Switch - PIN Configurations
| Pin No. | Signal Name | I / O | Description |
| 1 | D0 | Input | Channel selection bit 0 |
| 2 | D1 | Input | Channel selection bit 1 |
| 3 | NA | ||
| 4 | NA | ||
| 5 | /EN | Input | Channel Selection Enabled. |
| 6 | NA | ||
| 7 | VCC | Input | 5.0±5% VDC Power Supply (max 150mA). |
| 8 | GND | Input | Ground |
| 9 | NA | ||
| 10 | NA | ||
| 11 | NA | ||
| 12 | NA | ||
| 13 | S0 | Output | Switch status output bit 0 |
| 14 | S1 | Output | Switch status output bit 1 |
| 15 | NA | ||
| 16 | NA | ||
| 17 | NA | ||
| 18 | NA | ||
| 19 | NA | ||
| 20 | NA |
1x4 Optical Switch - Channel Selection Correspond to Switch Status
| Input | Active Channel | Output | |||
| /EN | D1 | D0 | S1 | S0 | |
| 0 | 0 | 0 | COM→1 | 0 | 0 |
| 0 | 0 | 1 | COM→2 | 0 | 1 |
| 0 | 1 | 0 | COM→3 | 1 | 0 |
| 0 | 1 | 1 | COM→4 | 1 | 1 |
| 1 | x | x | Hold | Hold | Hold |
1x4 Optical Switch - Optical Route




Order Information
| Mode | Wavelength | Switch Type | Voltage Type | Fiber type | Fiber diameter | Fiber Length | Connector |
| S=SM M=MM | 85=850nm 13=1310nm 14=1490nm 15=1550nm 162= 1625nm 165=1650nm 13/15=1310/1550nm | L= Latching X= Other | 3=5V 5=12V | 5=50/125 6=62.5/125 9=9/125 X= Other | 25=250um 90=900um; 20=2.0mm 30=3.0mm X= Other | 05=0.5m 10=1.0m 15=1.5m X=Other | O=None 1=FC 2=SC 3=ST 4=LC |
|
|
1x4 Multi Channel Micro Optical Switches Latching For OADM Networking Images |